Електроприводи вибухозахищені
Купити вибухозахищений електродвигун в Києві
Щоб купити вибухозахищений електродвигун в Києві, обов'язково необхідно більш детально розглянути конструктивні особливості даного виду трубопровідної арматури. Сьогодні активне використання електроприводів – це необхідність забезпечити автоматизацію при управлінні запірною арматурою різного розміру.

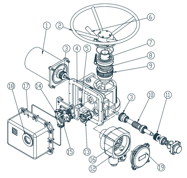
Електропривод вибухозахищеного виконання передбачає складну конструкцію, яка включає в себе такі основні складові:
-
Елементи сполучення з різними системами для зовнішнього управління конструкцією;
-
Керуючі елементи;
-
Інформаційні пристрої;
-
Перетворювачі електроенергії.
Варто відзначити, що перетворювачі електроенергії усередині конструкції можуть бути механічного і відповідно електромеханічного виконання. Завдяки елементам сполучення, клапани вибухозахищені з електроприводом можуть управлятися дистанційно, що істотно спрощує робочий процес.
Особливості вибухозахищених електроприводів
Вибираючи електродвигун вибухозахищений епш варто враховувати той факт, що вибухозахищеність досягається наступним чином:
-
Конструкції механізму, які відповідають за проведення електрики, попередньо встановлюються в спеціальний корпус, який виключає будь-які негативні наслідки для конструкції при можливого загоряння;
-
Покращена герметизація кабелів, а також використання унікальних методів їх ізоляції;
-
Повне виключення виникнення іскри в момент подачі живлення.
Важливо відзначити, що клапан повітряний вибухозахищений з електроприводом дозволяє убезпечити приміщення і обладнання від негативних наслідків від можливого займання. Саме тому вибір і покупка вибухозахищених електроприводів повинна здійснюватися під керівництвом фахівців.
Вибухозахищені електроприводи в Україні від компанії ТОВ Арматура
При виборі обладнання для нафтової та хімічної промисловості в компанії ТОВ Арматура, ви гарантовано отримуєте наступні переваги співпраці з нами:
-
Оптимальні ціни на вибухозахищені електроприводи в Україні, які нам вдається досягти завдяки співпраці з кращими європейськими виробниками обладнання;
-
Якісне обладнання будь-якого типу, яке має повний комплект необхідної документації від виробника;
-
Доставка здійснюється по всій території України власними транспортними засобами;
-
Консультація кожного клієнта щодо правильного вибору обладнання.
При оптових покупках обладнання ви гарантовано отримуєте індивідуальні ціни, які формуються залежно від кількості придбаної продукції.



