Переходи сталеві
Купити сталеві переходи для труб ГОСТ 17378 у Києві
Купити сталеві переходи в Києві можна в компанії ТОВ Арматура, яка представляє своїм клієнтам можливість вибору серед широкого асортименту деталей трубопроводу та інше трубопровідної арматури. Переходи сталеві ГОСТ 17378 – це відрізки труби, які мають різні діаметри торців. Основне призначення даних виробів полягає в можливості плавної зміни діаметра труб в процесі проектування трубопровідної системи. Переходи трубопроводів вкрай затребувані не тільки в промисловій, але і в побутовій діяльності при зміні діаметра контуру. Основні переваги переходів виглядають наступним чином:
-
Високий рівень міцності і герметичності при правильно виконаній установці;
-
Стійкість при транспортуванні агресивного робочого середовища;
-
Широкий діапазон робочих температур від-70 до +450 градусів.
Важливо відзначити, що металевий зварний перехід необхідно правильно вибрати при обліку основних технологічних вимог і умов експлуатації. Існують також оцинковані концентричні приварні переходи, які завдяки оцинкованому покриттю мають велику зносостійкість.
Основні види сталевих переходів
Ціни на сталеві переходи формуються в залежності від виду обраного виробу. Згідно встановленим нормам ГОСТ можна виділити два види переходів для труб, а саме:
-
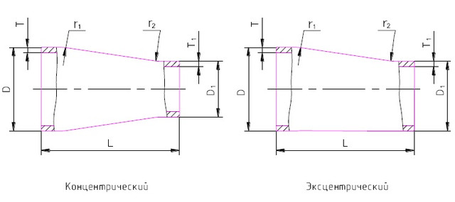
Концентричний перехід. Головною особливістю є розміщення торців деталі на осі симетрії, а сам виріб позначається буквою К. Арматура подібного типу використовується переважно на трубопроводах вертикального розташування, що актуально для комунальної, енергетичної та хімічної галузі. Зварної перехід концентричний використовується для трубопроводів великого діаметру, забезпечуючи герметичність з'єднання.
-
Ексцентричний перехід. У випадку даного виду вироби центри торців зміщені щодо один одного і розташовані на паралельних осях. Форма переходу нагадує зрізаний конус, в якому зміщений основу. Купити ексцентричний перехід в Києві від виробника ви також можете на нашому сайті за попереднім запитом.
Вибираючи виріб під конкретні умови його подальшого використання важливо звернути увагу на перераховані вище види переходів. Керуючись нормами ГОСТ можна відзначити, що для виробництва переходів використовуються наступні види стали:
-
Сталь 20;
-
09г2с;
-
08х18н10т;
-
12х18н10т.
Таким чином вдається досягти можливості експлуатації за умови тиску всередині системи до 160 кгс/см2, тобто до 16 МПа.

Як вибрати концентричні і ексцентричні переходи
Вибираючи трубні переходи варто звернути увагу на наступні критерії, які свідчать про високу якість виробу:
-
Повна відсутність корозійних процесів на поверхні переходу;
-
Відсутність тріщин, сколів та інших механічних пошкоджень будь-якого розміру;
-
Відсутність розшарувань і бульбашок.
Будь-який виріб подібного типу повинна повною мірою відповідати встановленим нормам ГОСТ 17378-2001. Абсолютно всі деталі на нашому сайті, включаючи трійники сталеві для труб, відповідають встановленим нормам ГОСТ. Підтверджується це наявністю сертифікатів, які свідчать про проведення таких випробувань переходів:
-
Контроль зварних швів, для чого використовується метод ультразвуку;
-
Контроль стійкості переходу до механічних навантажень.
Відповідність усім критеріям ГОСТ дозволяє використовувати конусні сталеві переходи для промислової діяльності. Навіть якщо вам необхідно придбати переходи з оцинкованої сталі, вам допоможуть фахівці компанії ТОВ Арматура.
Штампозварні концентричні переходи в Україні від компанії ТОВ Арматура
Звернувшись в компанію ТОВ Арматура кожен клієнт може придбати переходи з металу за оптимальною ціною від виробника з наступними перевагами:
-
Відповідність виробів встановленим нормам ГОСТ;
-
Повний комплект документації від виробника;
-
Доставка товару по території України;
-
Допомога у виборі виробів для кожного клієнта щодо умов їх експлуатації.
Отримати прайс-лист на трубні переходи ви можете зателефонувавши на нашу гарячу лінію або залишивши заявку на електронну пошту.

